Porch-Lift
Leeson 1/2 HP 24 VDC Platform Lift Motor — Porch‑Lift 59993 Replacement
Leeson 1/2 HP 24 VDC Platform Lift Motor — Porch‑Lift 59993 Replacement
🔄 Backorder Available
This item is available for backorder. Estimated lead time is 8 to 14 business days. We’ll send an update once your order is confirmed and provide tracking when it ships.
SKU: MTR.PLS.24VDC
Condition: New
Couldn't load pickup availability
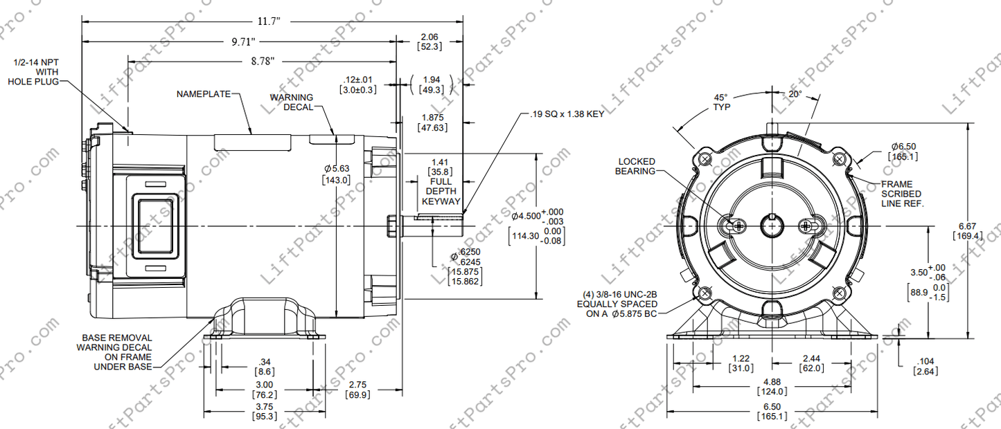
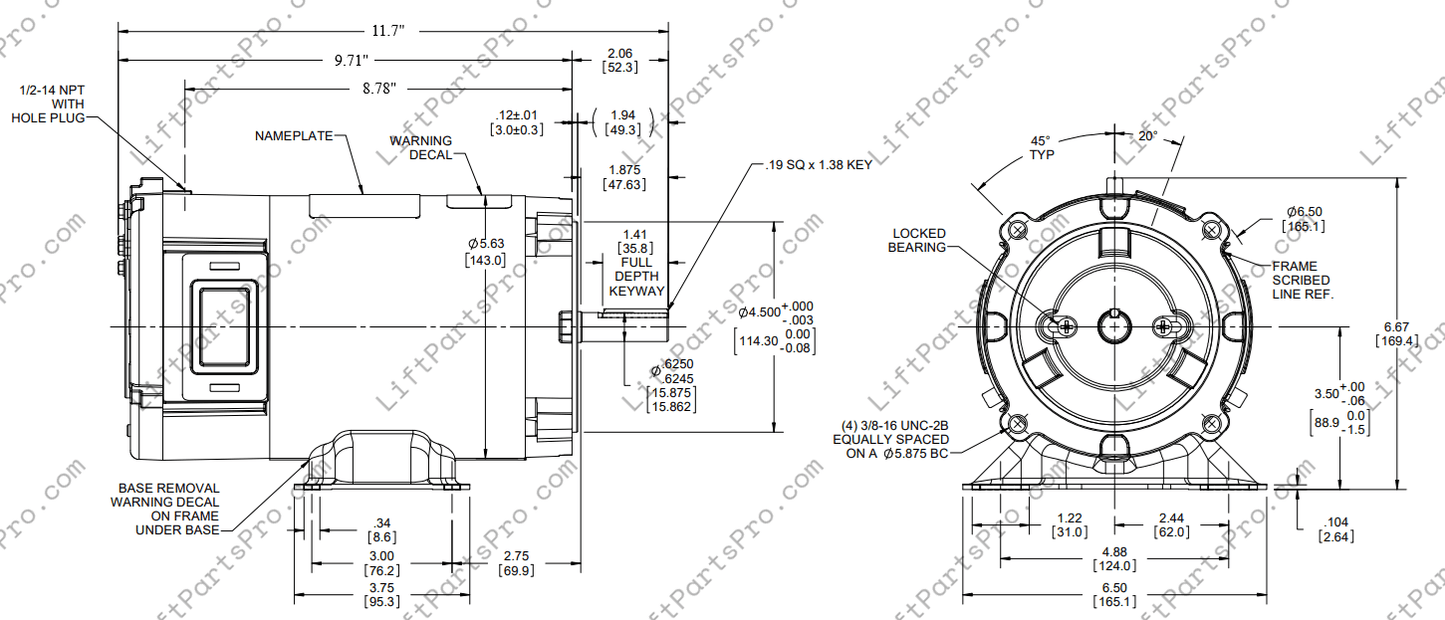
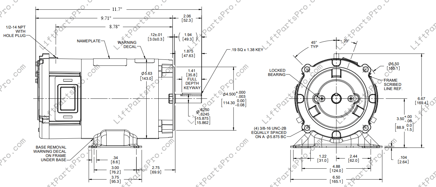
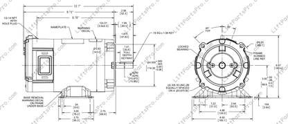
High‑torque 1/2 HP 24 VDC permanent‑magnet motor, direct replacement for Porch‑Lift #59993, suitable for vertical platform lift applications.
This motor is engineered as a drop‑in replacement for the legacy ThyssenKrupp / Access Industries Porch‑Lift drive motor #59993. It uses a 24 VDC permanent magnet design to deliver reliable performance in vertical platform lift (VPL) systems. Its robust construction, reversible rotation, and high starting torque make it well‑suited for demanding lift duty. The removable base, C‑face mounting, and standard shaft dimensions allow compatibility with existing mounting arrangements. It supports dynamic braking, oversize brushes for extended life, and linear torque across the speed range to handle load variances encountered during platform travel.
Specifications
- Input Voltage: 24 VDC
- Power Output: 0.50 HP (≈0.37 kW)
- Rated Speed: 1,800 RPM (range 1,700–1,800 RPM)
- Full Load Current: 20.0 A
- Frame: 56C (NEMA S56C)
- Enclosure: TENV (Totally Enclosed, Non‑Ventilated)
- Shaft Diameter: 5/8 in (0.625 in)
- Shaft Length: ~2.06 in
- Bearing Type: Ball (Drive end 6203, Opposing end 6203)
- Insulation Class: F
- Service Factor: 1.0
- Starting Torque: High
- Continuous Duty
- Reversible Rotation (CW / CCW)
- Weight: ~32 lb
- Ambient Temperature Limit: 40 °C
- Dimensions (L × W × H): Approx. 11.77 in × 6.5 in × 6.67 in
This motor is a direct match for the original drive in ThyssenKrupp / Access Industries PLS wheelchair platform lifts, replacing the OEM Porch‑Lift #59993. It offers compatibility in mounting, shaft interface, voltage, and mechanical parameters.
This product is provided with confidence in its fit and performance, and must be installed by qualified personnel according to applicable safety and electrical standards.
Share




